發布日期:2022-03-18 瀏覽:1726 次
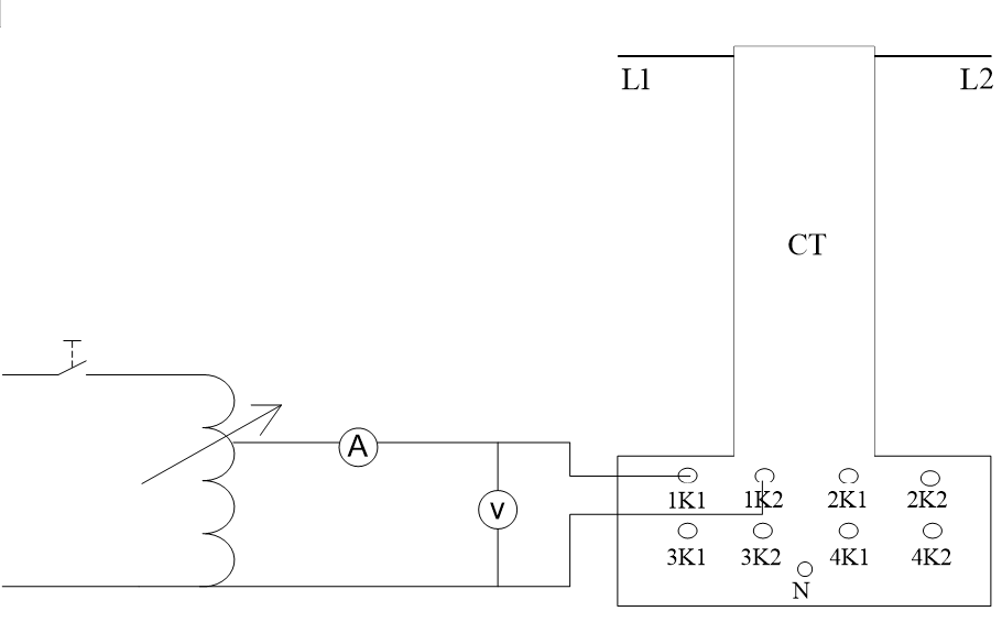
試驗接線(以1K1,1K2為例):

伏安特性試驗步驟:
1) 辦理工作許可手續;
2) 向工作人員交代工作內容、人員分工、帶電部位,進行危險點告知,并履行確認手續后開工;
3) 準備試驗用的儀器、儀表、工具,所用儀器、儀表、工具應良好并在合格周期內;
4) 在試驗現場周圍裝設圍欄,打開高壓警示燈,擺放溫濕度計,必要時派專人看守;
5) 抄錄被試電流互感器的銘牌參數;
6) 檢查被試電流互感器的外觀是否完好,必要時對套管進行擦拭和烘干處理;
7) 兩人對電源盤進行驗電,同時檢測電源盤的漏電保護裝置是否可靠動作;
8) 將互感器綜合測試儀水平放穩;
9) 按試驗接線圖進行接線;
10) 確認接線正確后,試驗人員撤到絕緣墊上,相關人員遠離被試品;
11) 大聲呼唱,確認相關人員都在安全距離外,接通電源,打開儀器開關;
12) 根據被試品的情況設置電壓、電流及步進參數;
13) 得到工作負責人許可后,按下“啟動”按鈕開始測量,測量結束后打印測量結果的數據和伏安特性曲線;
14) 關閉儀器開關,斷開電源;
15) 用放電棒對電流互感器充分放電;
16) 拆除試驗接線(先拆測量線,再拆接地線,拆接地線時先拆設備端,再拆接地端);
17) 整理儀器,記錄溫度和濕度,把儀器放回原位;
18) 觀察測試數據和勵磁特性曲線,判斷是否合格,撰寫試驗報告。
試驗標準:
1) 實測的伏安特性曲線與過去或出廠的伏安特性曲線比較,電壓不應有顯著降低;
2) 飽和的拐點不應有顯著的變化。
試驗注意事項:
1) 一般只對保護用線圈進行此項試驗;
2) 在調試工作中,當對測量用的電流互感器發生懷疑時,也可測量該電流互感器的勵磁特性以供分析;
3) 當電流互感器被測繞組有匝間短路時,其勵磁特性曲線在開始部分電壓較正常的略低,如下圖所示:
上圖中,曲線1是正常情況下的伏安特性曲線,曲線2是繞組存在匝間短路下的伏安特性曲線。
試驗周期:
1) 交接時;
2) 投運前;
3) 大修后;
4) 必要時

優力克電力是電力試驗設備的生產廠家,我們的產品全程提供專業的技術服務。

本公司生產全面貫徹 ISO9001:2015 質量管理體系認證證書及文字商標和圖片商標注冊

本公司與武漢各大高校和武漢高壓研究所有著緊密合同關系,有著明細的技術優勢和穩定技術方案

公司具有專業的銷售和技術支持團隊隨時了解和客戶溝通產品的應用情況,提供一對一高效專業的服務

產品全部執行ISO9001質量管理體系,SMT自動化的生產,半成品檢測,成品檢測拷機,讓每一個產品都經過5次以上的100%測試,確保產品質量100%

公司具有精準的預期備貨和保持穩定的安全庫存,滿足客戶的緊急需求和批量性采購需求

公司產品每年抽樣送第三方檢驗(如湖北省技術監督局、武漢市計量院),符合出廠標準和第三方檢測指標要求